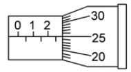
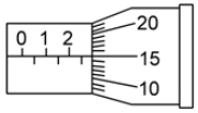
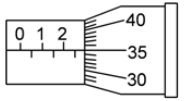
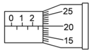
Kerjakan Soal Evaluasi Berikut! Pertanyaan 1. Sesuatu yang dapat diukur dan dapat dinyatakan dengan angka disebut …. Answers Opsi 1 a. Satuan Opsi 2 b. Besaran Opsi 3 c. Pengukuran Opsi 4 d. Nilai Opsi 5 e. Acuan Umpanbalik Coba Lagi Benar! Coba Lagi Coba Lagi Coba Lagi Solution Salah (Umpanbalik) Correct Option (Umpanbalik) Salah (Umpanbalik) Salah (Umpanbalik) Salah (Umpanbalik) Pertanyaan 2. Definisi dari pengukuran adalah .... Answers Opsi 1 a. Sesuatu yang dapat diukur dan dapat dinyatakan dengan angka Opsi 2 b. Standar acuan besaran sejenis Opsi 3 c. Kegiatan membandingkan suatu satuan dengan satuan sejenis yang dijadikan acuan Opsi 4 d. Kegiatan membandingkan suatu besaran dengan besaran sejenis yang dijadikan acuan Opsi 5 e. Mengambil data tentang sifat fisik pada benda Umpanbalik Coba Lagi Coba Lagi Coba Lagi Benar! Coba Lagi Solution Salah (Umpanbalik) Salah (Umpanbalik) Salah (Umpanbalik) Correct Option (Umpanbalik) Salah (Umpanbalik) Pertanyaan 3. Panjang suatu meja yang diukur oleh seorang tukang kayu menggunakan penggaris kayu adalah 100 cm. Yang menunjukkan besaran pada pernyataan tersebut ada .... Answers Opsi 1 a. Meja Opsi 2 b. Tukang kayu Opsi 3 c. Panjang Opsi 4 d. Penggaris kayu Opsi 5 e. 100 cm Umpanbalik Coba Lagi Coba Lagi Benar! Coba Lagi Coba Lagi Solution Salah (Umpanbalik) Salah (Umpanbalik) Correct Option (Umpanbalik) Salah (Umpanbalik) Salah (Umpanbalik) Pertanyaan 4. Berikut ini yang merupakan kumpulan besaran pokok adalah ..... Answers Opsi 1 a. Panjang, luas, waktu Opsi 2 b. Berat, intensitas cahaya, jumlah zat Opsi 3 c. Waktu, kuat arus, kelajuan Opsi 4 d. Massa, kuat arus, intensitas cahaya Opsi 5 e. Berat, kecepatan, percepatan Umpanbalik Coba Lagi Coba Lagi Coba Lagi Benar! Coba Lagi Solution Salah (Umpanbalik) Salah (Umpanbalik) Salah (Umpanbalik) Correct Option (Umpanbalik) Salah (Umpanbalik) Pertanyaan 5. Berikut ini yang merupakan kumpulan besaran turunan adalah .... Answers Opsi 1 a. Panjang, luas, waktu Opsi 2 b. Berat, intensitas cahaya, jumlah zat Opsi 3 c. Waktu, kuat arus, kelajuan Opsi 4 d. Massa, kuat arus, intensitas cahaya Opsi 5 e. Berat, kecepatan, percepatan Umpanbalik Coba Lagi Coba Lagi Coba Lagi Coba Lagi Benar! Solution Salah (Umpanbalik) Salah (Umpanbalik) Salah (Umpanbalik) Salah (Umpanbalik) Correct Option (Umpanbalik) Pertanyaan 6. Bilangan 534,050 memiliki angka penting sebanyak .... Answers Opsi 1 a. Dua Opsi 2 b. Tiga Opsi 3 c. Empat Opsi 4 d. Lima Opsi 5 e. Enam Umpanbalik Coba Lagi Coba Lagi Coba Lagi Coba Lagi Benar! Solution Salah (Umpanbalik) Salah (Umpanbalik) Salah (Umpanbalik) Salah (Umpanbalik) Correct Option (Umpanbalik) Pertanyaan 7. Hasil operasi 225,243 – 145,71 + 12,3 menurut aturan angka penting adalah ... Answers Opsi 1 a. 91,835 Opsi 2 b. 91,83 Opsi 3 c. 91,8 Opsi 4 d. 92,0 Opsi 5 e. 92 Umpanbalik Coba Lagi Coba Lagi Benar! Coba Lagi Coba Lagi Solution Salah (Umpanbalik) Salah (Umpanbalik) Correct Option (Umpanbalik) Salah (Umpanbalik) Salah (Umpanbalik) Pertanyaan 8. Nilai dari 1,72 menurut aturan angka penting adalah .... Answers Opsi 1 a. 28,9 Opsi 2 b. 2,89 Opsi 3 c. 2,90 Opsi 4 d. 2,9 Opsi 5 e. 3 Umpanbalik Coba Lagi Coba Lagi Coba Lagi Benar! Coba Lagi Solution Salah (Umpanbalik) Salah (Umpanbalik) Salah (Umpanbalik) Correct Option (Umpanbalik) Salah (Umpanbalik) Pertanyaan 9. Massa Bumi 5972 000 000 000 000 000 000 000 kg. Jika ditulis menggunakan format notasi ilmiah adalah .... Answers Opsi 1 a. 5972 x 1024 kg Opsi 2 b. 5972 x 1021 kg Opsi 3 c. 5,972 x 1024 kg Opsi 4 d. 5,972 x 1024 g Opsi 5 e. 5972 x 1024 g Umpanbalik Coba Lagi Coba Lagi Benar! Coba Lagi Coba Lagi Solution Salah (Umpanbalik) Salah (Umpanbalik) Correct Option (Umpanbalik) Salah (Umpanbalik) Salah (Umpanbalik) Pertanyaan 10. Besar muatan elektron adalah 0,000 000 000 000 000 000 16 C. Jika ditulis menggunakan format notasi ilmiah adalah .... Answers Opsi 1 a. 16 x 10-21 C Opsi 2 b. 16 x 10-20 C Opsi 3 c. 1,6 x 10-20 C Opsi 4 d. 16 x 10-19 C Opsi 5 e. 1,6 x 10-19 C Umpanbalik Coba Lagi Coba Lagi Coba Lagi Coba Lagi Benar! Solution Salah (Umpanbalik) Salah (Umpanbalik) Salah (Umpanbalik) Salah (Umpanbalik) Correct Option (Umpanbalik) Pertanyaan 11. Di antara ukuran-ukuran jarak berikut, manakah yang paling panjang? Answers Opsi 1 a. 2,47 x 103 mm Opsi 2 b. 2,47 x 105 cm Opsi 3 c. 2,47 x 103 dm Opsi 4 d. 2,47 x 104 m Opsi 5 e. 2,47 x 102 km Umpanbalik Coba Lagi Coba Lagi Coba Lagi Coba Lagi Benar! Solution Salah (Umpanbalik) Salah (Umpanbalik) Salah (Umpanbalik) Salah (Umpanbalik) Correct Option (Umpanbalik) Pertanyaan 12. Berdasarkan tingkat ketelitiannya, urutan alat ukur panjang berikut ini dari yang ketelitian paling rendah ke paling tinggi adalah ... Answers Opsi 1 a. Jangka sorong, mikrometer sekrup, mistar Opsi 2 b. Jangka sorong, mistar, mikrometer sekrup Opsi 3 c. Mistar, jangka sorong, mikrometer sekrup Opsi 4 d. Mikrometer sekrup, mistar, jangka sorong Opsi 5 e. Mikrometer sekrup, jangka sorong, mistar Umpanbalik Coba Lagi Coba Lagi Bener! Coba Lagi Coba Lagi Solution Salah (Umpanbalik) Salah (Umpanbalik) Correct Option (Umpanbalik) Salah (Umpanbalik) Salah (Umpanbalik) Pertanyaan 13. Perhatikan gambar hasil pengukuran panjang menggunakan jangka sorong berikut ini! Berdasarkan gambar tersebut hasil pengukuran yang diperoleh adalah .... Answers Opsi 1 a. 5,19 mm Opsi 2 b. 5,16 mm Opsi 3 c. 6,00 mm Opsi 4 d. 5,19 cm Opsi 5 e. 6,16 cm Umpanbalik Coba Lagi Coba Lagi Coba Lagi Benar! Coba Lagi Solution Salah (Umpanbalik) Salah (Umpanbalik) Salah (Umpanbalik) Correct Option (Umpanbalik) Salah (Umpanbalik) Pertanyaan 14. Perhatikan gambar hasil pengukuran panjang menggunakan jangka sorong berikut ini! Berdasarkan gambar tersebut, penulisan hasil pengukuran beserta ketidakpastian yang diperoleh adalah .... Answers Opsi 1 a. (2,00 ± 0,01) mm Opsi 2 b. (2,31 ± 0,005) mm Opsi 3 c. (2,41 ± 0,001) cm Opsi 4 d. (2,410 ± 0,005) cm Opsi 5 e. (2,50 ± 0,01) cm Umpanbalik Coba Lagi Coba Lagi Coba Lagi Benar! Coba Lagi Solution Salah (Umpanbalik) Salah (Umpanbalik) Salah (Umpanbalik) Correct Option (Umpanbalik) Salah (Umpanbalik) Pertanyaan 15. Perhatikan gambar hasil pengukuran panjang menggunakan mikrometer sekrup berikut ini! Berdasarkan gambar tersebut, hasil pengukuran yang diperoleh adalah .... Answers Opsi 1 a. 7,05 mm Opsi 2 b. 7,55 cm Opsi 3 c. 7,63 mm Opsi 4 d. 7,68 mm Opsi 5 e. 7,05 mm Umpanbalik Coba Lagi Coba Lagi Benar! Coba Lagi Coba Lagi Solution Salah (Umpanbalik) Salah (Umpanbalik) Correct Option (Umpanbalik) Salah (Umpanbalik) Salah (Umpanbalik) Pertanyaan 16. Perhatikan gambar hasil pengukuran panjang menggunakan mikrometer sekrup berikut ini! Berdasarkan gambar tersebut, hasil pengukuran yang diperoleh adalah .... Answers Opsi 1 a. 8,47 mm Opsi 2 b. 8,97 mm Opsi 3 c. 8,47 cm Opsi 4 d. 8,97 cm Opsi 5 e. 8,42 cm Umpanbalik Coba Lagi Benar! Coba Lagi Coba Lagi Coba Lagi Solution Salah (Umpanbalik) Correct Option (Umpanbalik) Salah (Umpanbalik) Salah (Umpanbalik) Salah (Umpanbalik) Pertanyaan 17. Hasil pengukuran diameter suatu tabung dengan mikrometer sekrup adalah 2,85 mm. Gambar yang sesuai dengan hasil pengukuran tersebut adalah .... Answers Opsi 1 a. Opsi 2 b. Opsi 3 c. Opsi 4 d. Opsi 5 e. Umpanbalik Coba Lagi Coba Lagi Coba Lagi Coba Lagi Benar! Solution Salah (Umpanbalik) Salah (Umpanbalik) Salah (Umpanbalik) Salah (Umpanbalik) Correct Option (Umpanbalik) Pertanyaan 18. Aspek pengukuran yang menyatakan kemampuan alat ukur untuk memberikan hasil pengukuran sama pada pengukuran berulang merupakan definisi dari .... Answers Opsi 1 a. Ketepatan Opsi 2 b. Ketelitian Opsi 3 c. Kesalahan Opsi 4 d. Ketidakpastian Opsi 5 e. Perkiraan Umpanbalik Coba Lagi Benar! Coba Lagi Coba Lagi Coba Lagi Solution Salah (Umpanbalik) Correct Option (Umpanbalik) Salah (Umpanbalik) Salah (Umpanbalik) Salah (Umpanbalik) Pertanyaan 19. Kesalahan dalam pengukuran yang disebabkan oleh alat yang digunakan termasuk dalam kesalahan .... Answers Opsi 1 a. Sistematik Opsi 2 b. Acak Opsi 3 c. Ketidakpastian pengukuran Opsi 4 d. Ketepatan Opsi 5 e. Ketelitian Umpanbalik Benar! Coba Lagi Coba Lagi Coba Lagi Coba Lagi Solution Correct Option (Umpanbalik) Salah (Umpanbalik) Salah (Umpanbalik) Salah (Umpanbalik) Salah (Umpanbalik) Pertanyaan 20. Pada saat praktikum fisika, Tia mengukur panjang benda sebanyak 5 kali. Data hasil pengukuran Tia adalah 4,1 cm; 4,2 cm; 4,3 cm; 4,1 cm; 4,0 cm. Dalam laporan, panjang benda harus dituliskan .... Answers Opsi 1 a. (5,155 ± 0,15) cm Opsi 2 b. (5,15 ± 0,05) cm Opsi 3 c. (4,14 ± 0,05) cm Opsi 4 d. (4,145 ± 0,15) cm Opsi 5 e. (4,4 ± 0,005) cm Umpanbalik Coba Lagi Coba Lagi Benar! Coba Lagi Coba Lagi Solution Salah (Umpanbalik) Salah (Umpanbalik) Correct Option (Umpanbalik) Salah (Umpanbalik) Salah (Umpanbalik)